Program upgrade skill di bidang engineering, dari dasar hingga mahir.
Program khusus melalui platform mitra resmi dokter mekanik academy seperti Udemy, Prakerja, dan Kampus Merdeka.
Sertifikasi BNSP
Pilih pelatihan dan sertifikasi Nasional BNSP di bidang engineering, rekayasa, manufaktur, dan subsetnya
Lihat SemuaSertifikasi Internasional
Pilih pelatihan dan sertifikasi Internasional di bidang engineering, rekayasa, manufaktur, dan subsetnya
Lihat Semua
Temukan inspirasi dari hasil karya dan pengalaman para alumni dr. Mekanik Academy.
dr. Mekanik Academy tersedia di berbagai platform mitra resmi untuk memudahkan akses pelatihan Anda.
Jelajahi produk dan layanan lainnya dari ekosistem dr. Mekanik untuk solusi bisnis yang komprehensif.
dari dr. Mekanik Academy
Membantu kamu belajar, berkarya, dan bikin projek engineer dengan instan dan presisi!
Kumpulin Token Bareng AI Assistant dr. Mekanik!
Semakin aktif, semakin banyak token yang bisa kamu dapat!
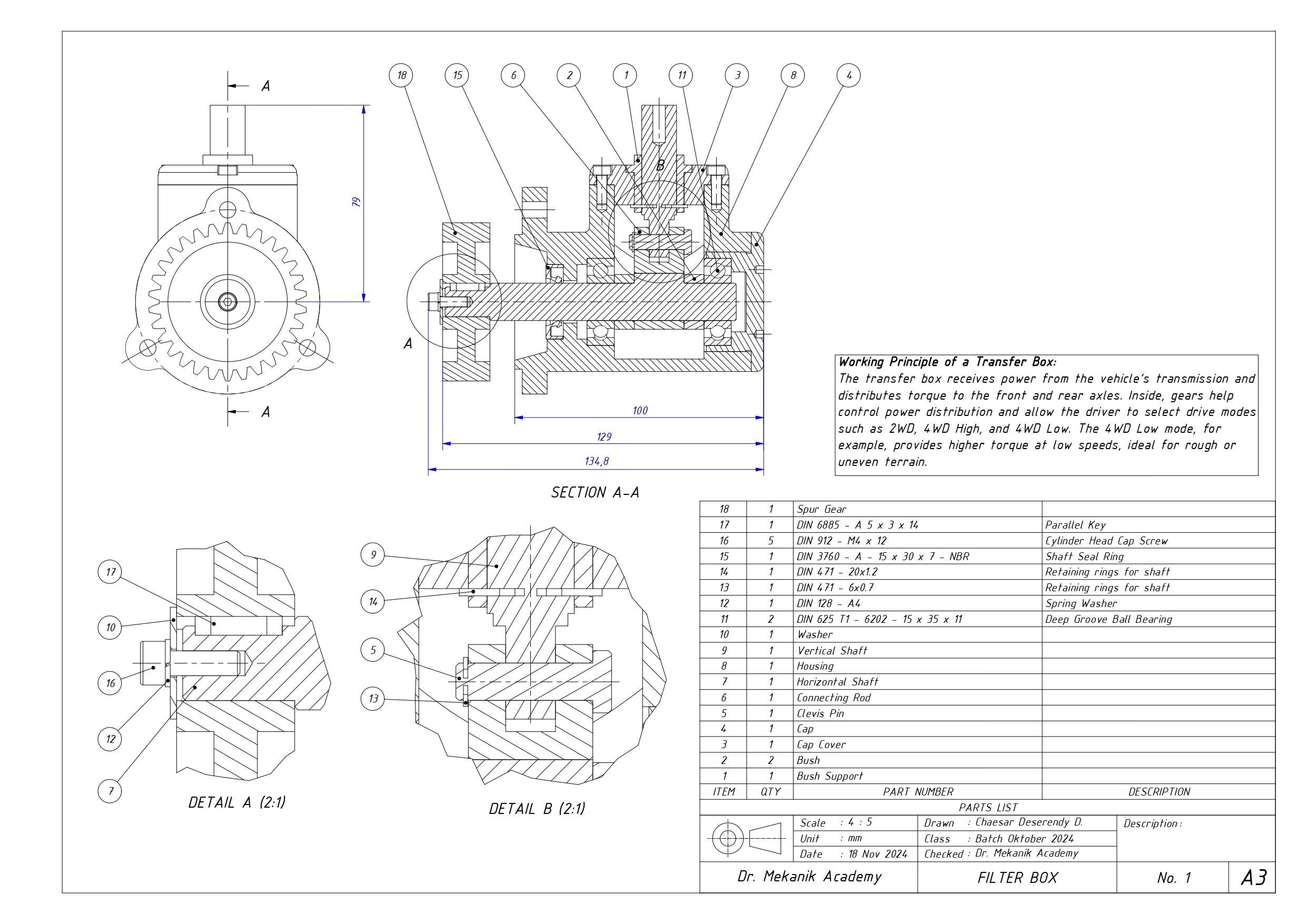
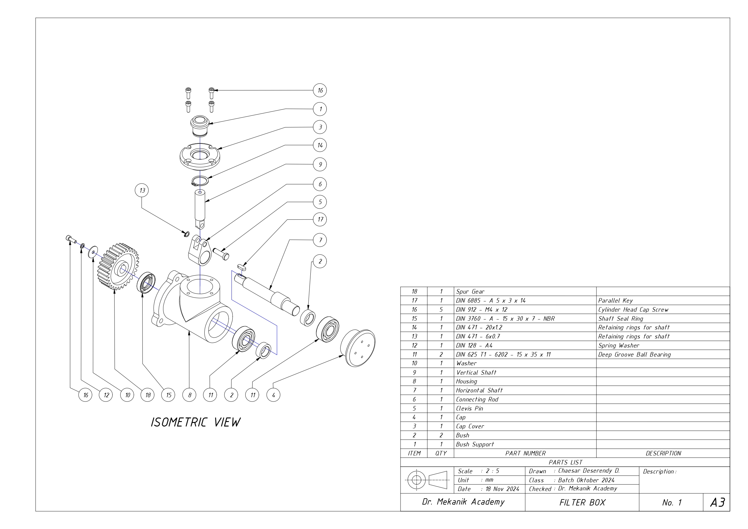
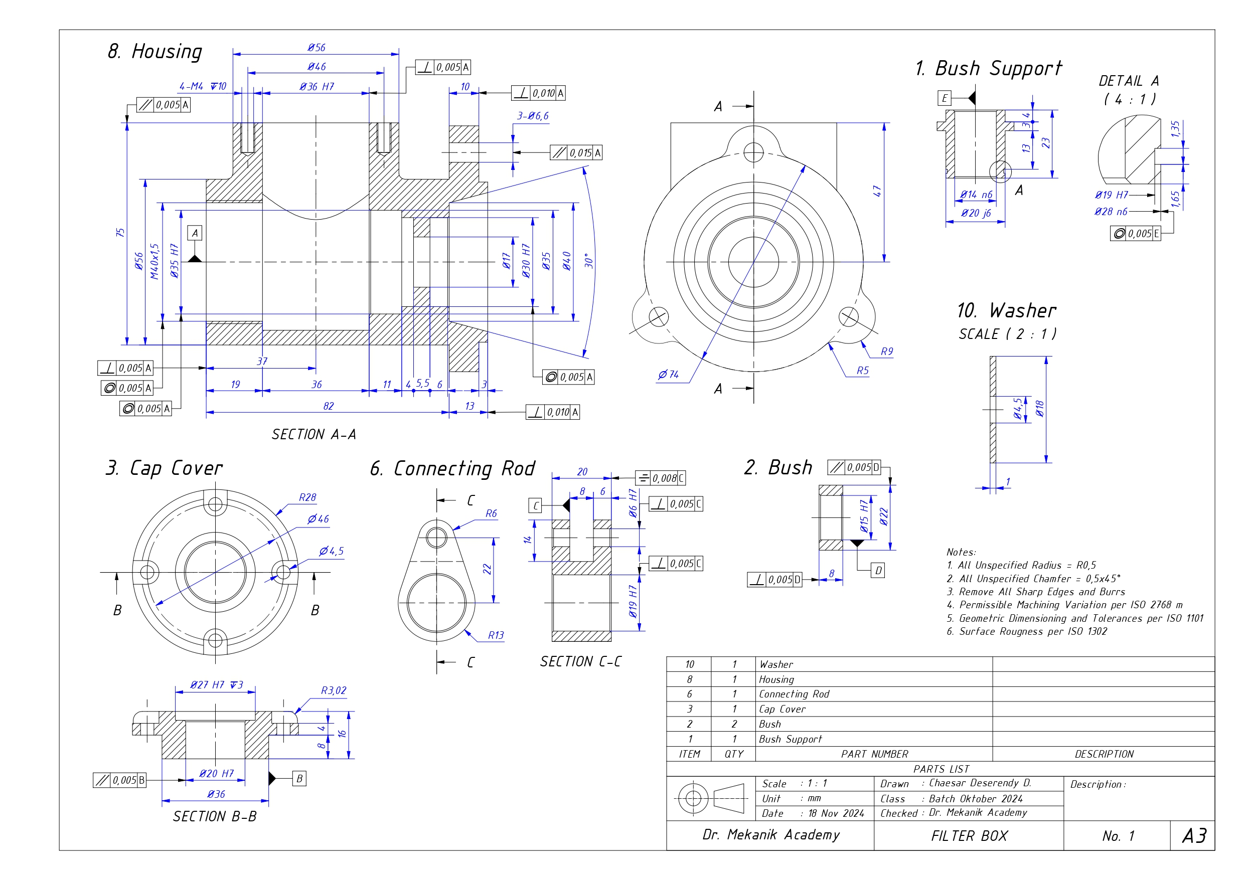
A transfer box is a specialized enclosure used in various industries to facilitate the safe and efficient transfer of materials, tools, or items between different environments or sections within a facility. Typically designed to prevent contamination, maintain controlled conditions, or ensure safety, transfer boxes are commonly used in laboratories, cleanrooms, or industrial production lines. They are constructed from materials that provide structural integrity and often incorporate features like transparent panels, airlocks, or filtration systems to maintain the desired internal conditions. The primary function of a transfer box is to allow the seamless passage of objects while upholding environmental standards and operational safety protocols.